产品详情
TMS1248是一款高性能的12通道音频分配器,专为专业音响系统设计。
广泛频率响应:支持20Hz至40kHz的频率范围,确保音质清晰且准确。
低失真:失真率小于0.001%,保证音频信号传输的纯净。
高共模抑制比:可达到120dB,提供优异的抗干扰能力,适应各种环境。
稳定性强:工作温度范围为0°C至70°C,适合多种使用场景。
灵活接口:配备多个XLR输入和输出接口,便于各种设备连接。
坚固耐用:整机重量8.3kg,设计紧凑,适合现场演出或固定安装。
产品技术参数
通道数 | 12通道4路分路器(1进4出) | 直流电阻 | 输入70欧姆;输出60欧姆 |
频率响应 | 20Hz~40KHz(+ 0dB / -0.1dB) | 转换比 | 1:1.000:1.000:1.000:1.000 |
失真(1KHz,20dBu) | <0.001% | 工作温度范围 | 0°C~70°C |
共模抑制比 | 60Hz,120dB;3KHz,85dB | 断路电压 | 250V RMS |
输入阻抗 | 425欧姆;平衡 | 机身尺寸 | 483×300×135 mm |
输出阻抗 | 285欧姆;平衡 | 净重 | 8.3KG |
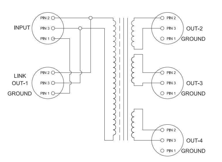
工作原理图







